无锡瑞盈电力环保设备有限公司
邮 箱:ryhb70@163.com
地 址:无锡市滨湖区胡埭镇翔鸽路26号申新工业园


一、充气式圆顶阀-产品简介
充气式圆顶阀是气体输送物料的开关器,起到开通和隔断管道空间的作用,适用于需要输送松散、干燥非粘性或可流动固体物料的密封输送系统,如火电厂的灰渣处理系统。圆顶阀的关断是由一个球形阀和一个充气橡胶密封圈来实现的,而开与关又是在无压力状态下进行的,实现了两者无接触位移。
圆顶阀阀芯根据使用场合的不同,采用不同材料,表面进行不同硬化处理方式,利用阀芯光滑坚硬的表面,可与橡胶密封圈紧密接触,密封良好。
二、充气式圆顶阀-工作原理
圆顶阀阀芯是一个球面圆顶,圆顶阀在开关过程中,阀芯与橡胶密封圈间有约0.5-1.2mm的间隙,使阀芯与橡胶密封圈可以用无接触的方式运动,目的是使阀芯与橡胶密封圈之间不产生摩擦,减少磨损。圆顶阀的气动执行元件为90°回转摆动气缸,通过转轴驱动圆顶阀阀芯转动。圆顶阀的工作过程为阀芯转动关闭后对密封圈充气,先将密封圈排气后阀芯转动打开,密封圈不充气,这样完成一个循环。
1、常态
阀芯处于关闭位置时,气源对密封圈供气,压力表上显示出作用在密封圈上的压力。
2、打开状态
90°回转气缸开始动作前,先经过延时器将密封圈内的气从二位三通机动滑阀的排气孔排掉后,此时阀芯开始转动打开,在转动过程中,阀芯与密封圈之间不接触。
3、关闭状态
在关闭的指令下,气缸开始反向运作,当阀芯转动至关闭状态后,转臂上的调整螺钉压住二位三通机动滑阀的顶杆,然后气源经过延时器从二位三通机动滑阀的进气孔对密封圈供气,关闭到未充气之间的时间通过调整螺钉来完成。

三、充气式圆顶阀-安装和使用要点
1、安装前应仔细阅读本说明书,并核对阀门型号,通径及主要参数。
2、压缩空气未排放前,严禁开启阀门,严禁水和湿料进入阀内。
3、严禁上阀门后施焊法兰,以免损坏阀门密封圈,管道自先预留的阀门安装距离应适当,法兰两边加垫片。
4、两管道中心与阀门通径中心应保持同轴,法兰两面一个平整,使阀门的夹紧和工作正常。
5、定期巡查圆顶阀的工作情况,对异常情况应及时正确的处理。
6、在吊装,安装'操作、调试和维修时,应符合操作规程。
7、该阀门出厂前已作调整和动态试验,气路已连接好。
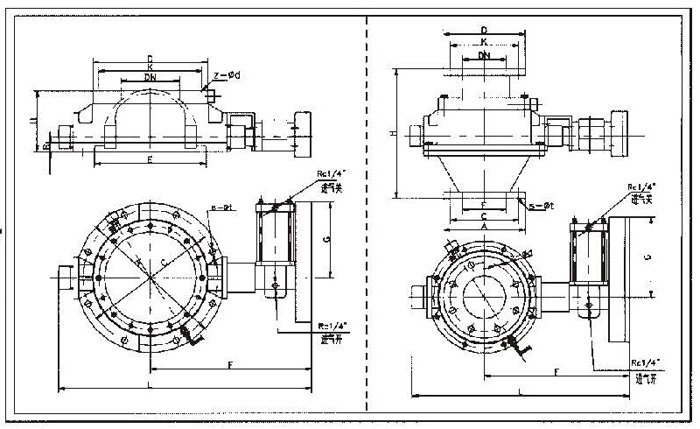
四、充气式圆顶阀-尺寸
1、连接尺寸(mm)
| 通径 DN | 65 | 150 | 200 | 300 |
| D | 185 | 285 | 400 | 510 |
| K | 145 | 240 | 360 | 465 |
2、外形尺寸及配置执行器(mm)
| 通径 DN | 65 | 150 | 200 | 300 |
| H | 260 | 400 | 210 | 280 |
| L | 450 | 775 | 890 | 1070 |
| A | 185 | 285 | 520 | 690 |
| B | 18 | 22 | 25 | 28 |
| C | 145 | 240 | 470 | 630 |
| E | 70 | 158 | 390 | 495 |
| F | 307 | 515 | 575 | 660 |
| G | 205 | 295 | ||
| z-Φd | 4-Φ18 | 8-Φ22 | 8-M16 | 8-M20 |
| s-Φt | 4-Φ22 | 12-Φ27 | ||