无锡瑞盈电力环保设备有限公司
邮 箱:ryhb70@163.com
地 址:无锡市滨湖区胡埭镇翔鸽路26号申新工业园


一、气动三通切换阀-用途与原理
气动三通切换阀是用来将单路输送的物料一分为二的换向器,设计合理,操作方便,为管道正压气力输送提供了一个换向器。本阀门可用于火电厂干灰系统灰、水泥、水泥生料、石灰石、煤粉及其他粉粒状等固体干燥松散的物料输送系统。
切换阀的密封元件由不易磨损的陶瓷材料制成,并经配磨后组合,平面接触、弹簧加压,能保持对阀口通道的良好密封。
切换阀配有气动装置(气缸),通过它能使阀停在相应的位置上。
二、气动三通切换阀-主要参数
工作压力:0.3MPa
供气压力:0.4-006Mpa
适用温度:-20℃<t<150℃
密圭才试验:1.0Mpa
三、气动三通切换阀-安装与调整
为求良好的运转状况,安装时应将阀位操纵杆装在输送线的顶部或侧面,阀的密封是通过阀盘和阀座的叠合来实现的,因此阀的支承应单立于输送线,且不应受力于管道装置,还应采取措施,不能因管道受热膨胀而使阀受力。
切换阀的安装,应能避免阀关闭支路中的空气压力作用于阀盘密封面。

四、气动三通切换阀-操作与使用
阀盘的换位应在系统停止工作或无压情况下进行,不要在系统输送物料时操纵阀门换向,这是因为阀盘处于管道压力之中,在有负荷的情况下使其运动,会加速磨损。在有负荷的情况下使其移动,会产生高于正常扭矩的负荷而使阀盘无法正常工作。
若在系统输送物料时阀盘换位,则会在阀的某一路管线中产生失压而造成物料堆积。当下次重新启用这一路时,会引起系统堵管、压力波动和空气压缩机的多载等异常情况。阀盘换位前应将输送管理清,吹干净。在系统停下,操纵阀换向时,先转动阀位操纵杆数次,然后再将阀盘换到所需位置是有利的,这样既清洁了阀座又延长了阀的寿命。
输送系统停用期间,定期转动阀位操纵杆,有利于清理阀座上的灰尘和冷凝水等积窍,使阀座获得更长的寿命。
气动切换阀的自动开启和关闭是由阀用气动装置(气缸) 来完成的。接通电源、气源,气缸驱动阀芯换位,使阀停在相应的位置。
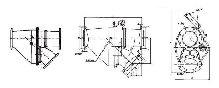
五、气动三通切换阀-尺寸
1、连接尺寸(mm)
| 通径 DN | 150 | 200 | 250 | 300 |
| D | 285 | 340 | 395 | 445 |
| K | 240 | 295 | 350 | 400 |
2、外形尺寸及配置执行器(mm)
| 通径 DN | 150 | 200 | 250 | 300 |
| H | 757 | 935 | 1000 | 1070 |
| L | 720 | 925 | 1038 | 1140 |
| A | 470 | 536 | 590 | 645 |
| B | 22 | 23 | 25 | |
| C | 97.5 | 115 | 137.5 | 165 |
| E | 123 | 145 | 150 | 195 |
| F | 287 | 360 | 410 | 478 |
| z-Φd | 8-Φ22 | 12-Φ22 | ||